为实现对含有热处理组织缺陷而误装车的转向节进行质量安全隐患排查,现场通过采用超声波纵波多次反射法进行试验验证,确定了该方法对热处理导致的过热过烧组织类缺陷检测的可操作性和结论可靠性,在保证现场不拆车的情况下,首次将超声波探伤技术应用于转向节组织晶粒粗大及沿晶界开裂缺陷的随车检测,丰富了过热过烧组织缺陷的检测手段和检测效率,从而及时排除质量隐患并最大限度地降低因拆车、重装产生的人力及时间成本。同时为今后解决类似生产质量问题提供了可借鉴的技术方法。
关于转向节
转向节是汽车转向桥总成中的关键零部件之一,具有承载汽车前部载荷,支撑并带动前轮绕主销转动,以及实现汽车灵活转向和正常行驶的作用,转向节的可靠性直接影响到汽车的正常行驶和车载人员的生命安全。锻造转向节的工艺流程一般为材料检测、下料、加热、制坯、预锻、终锻、切边、校正、冷却后转调质处理、加工,其中锻造和调质热处理对转向节的机械性能有非常重要影响。某重型卡车下线行驶未超过一公里,前桥一侧转向节断裂,前轮脱落险些造成重大事故,因此生产单位质保部向有关整车发送站、中转站发出紧急限售令,同时委托检测部门分析该转向节断裂原因。
转向节在实际生产中只进行表面磁粉探伤排除表面区域缺陷,未进行内部缺陷检测。通过对送检样品深入分析确定其断裂原因是在锻造或调质热处理过程中,材料组织过热过烧,沿晶界出现微裂纹在整车下线行驶过程中裂纹扩展导致断裂。这种内部组织缺陷在表面磁粉探伤检测中无法发现,从而流入装配线且装车已达数百辆。通常过热过烧缺陷在批量产品中所占的比例不是很大,为保证误装车转向节的质量并避免造成重大安全事故与客户高额索赔等,最大限度地降低因拆车、重装造成的人力及时间成本,急需一种快捷、简便、可靠的无损检测方法,对已装车的问题转向节进行100%现场检测分选。目前常规五大无损检测方法中超声波检测与射线检测可以检出内部缺陷,射线检对材料组织类缺陷不敏感,但材料过热过烧导致的组织晶粒粗大及沿晶界开裂的缺陷对超声波具有强烈的散射衰减作用。使用超声波反射法对过热过烧类缺陷检测时,可能仅收到强度很低的杂乱反射波、甚至收不到任何反射波,因此为解决此次过热过烧质量问题提供了可靠有效的检测方法。将超声波探伤技术应用于汽车转向节的过热过烧缺陷的检测,提高了过热过烧组织缺陷的检测能力和检测效率,同时保证了整车企业产品质量且大大降低经济损失。
转向节断裂分析
(1) 断口形貌特征
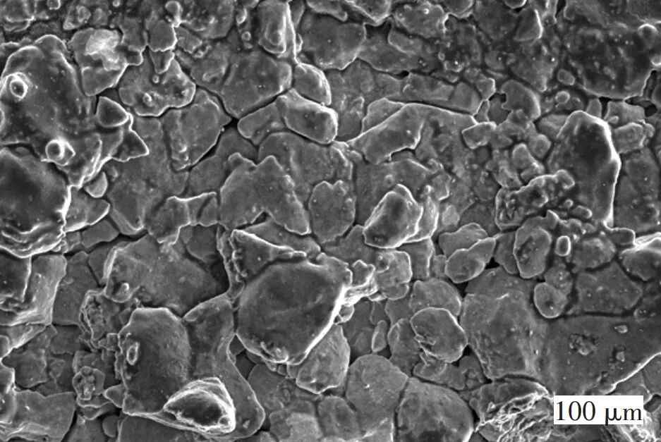
转向节在靠近法兰根部附近发生断裂,宏观断口上未发现明显的塑性变形区域,应该属于一次性的脆性断口,如图1和图2所示。利用扫描电子显微镜观察断口的微观形貌,如图3和图4所示,转向节的微观断口呈沿晶状形貌,晶粒粗大,同时晶界发生熔化并在晶界处产生了大量的微裂纹。
图1 转向节断裂形貌
图2 断口宏观形貌
图3 断口微观低倍形貌(100×)
(2) 化学成分分析
在转向节断口附近切取试样,采用光电直读光谱分析仪,根据GB/T 4336—2016进行化学成分检验,结果见表1。检验结果表明,转向节的化学成分符合40Cr钢的技术要求。
图4 断口微观高倍形貌400×
(3) 金相组织检验
在转向节上切取试样经粗磨、细磨、抛光和腐蚀后观察金相组织,如图5所示。由图可见,转向节的金相组织为回火索氏体加少量铁素体,部分晶界熔化,沿着晶界产生大量的微裂纹,这与过热过烧特征相吻合。
图5 金相组织
(4) 力学性能检验
在断裂转向节上取样加工标准拉伸试样进行拉伸性能和硬度检验,测定材料的强度、塑性和硬度等性能,检验结果见表2。检验结果表明,转向节的强度、塑性和硬度等性能指标不符合技术要求。






