(1) 可行性
常规的5项无损检测方法对各类缺陷的检出能力具有各自的局限性和优越性。必须根据破坏性检测的结论、明确检测目的,对检测技术进行分析和选择。
本次检测要求检出转向节材料过热导致的晶粒粗大及过烧导致的心部组织晶界氧化开裂。涡流检测和超声吸收衰减法检测对材料内部组织过热、过烧现象都具有高度敏感性,组织过热、过烧必然导致晶粒粗大或产生晶界裂纹,对超声波具有强烈的散射衰减作用。涡流检测对零部件表面以下的探测深度受到频率、耦合因子等因素的限制,零部件材料不同时涡流也相应地会有所不同,这常常产生模棱两可的结果,对开口很小的裂纹不太敏感,零部件表面的光洁度、平整度、边界等对涡流检测都有较大影响。针对检测内部晶界裂纹而言涡流检测具有一定的误判率,而使用超声反射法检测组织内部晶界开裂时,可能仅收到强度很低的杂乱反射波,甚至收不到任何反射波,这样的缺陷反射波形态会明显区别于正常样件的反射波,因此超声波检测组织过热过烧缺陷具有较大的可行性。
(2) 简易性
检测设备及方法的简易性能够有效降低检验成本,提高检验效率,是本次检验工作重要目标之一。通过现场观察,涡流检测仅适用于在生产线上对尚未装配的转向节进行检查,而超声检测仅需将商品车前轮毂轴头密封盖打开,即可达到检测要求。不需拆车且检测速度快,可实现100%的现场检测。故确定本次检测的首选方法是超声波单晶直探头反射、吸收衰减法。
(3) 可靠性
现代无损检测与评价技术必须建立在破坏性检测结论的基础上,并经过验证才具有可信度。检测人员应熟知被检材料及被检工件的工艺知识,对工件内在缺陷的性质、位置、分布、形状、尺寸、取向要有预先的评估,有针对性地制定合理的工艺规程,完善检测条件。同时应具备对检测时所产生的物理现象和对所获得的信息进行理论分析并作出解释的能力。
多浦乐便携式相控阵超声检测仪NovaScan
NovaScan
NovaScan是一款功能齐全的相控阵检测工具,除具备相控阵功能,独立两通道TOFD检测功能外,攻克了超声相控阵便携仪器3D实时成像技术,在便携机上实现了3D实时全聚焦技术,成像清晰细腻;同时支持百万焦点实时全聚焦成像(TFM)及全矩阵数据采集(FMC),更清晰地显示微小缺陷。
对与断裂样品同批次的转向节进行超声波探伤检测,共检车141辆,计282件转向节,检测结果如表3所示。
从断裂转向节的同批次样件中选取超声波检测波形正常样件1件并编号为ZC-1,波形异常样件4件并依次编号为YC-1、YC-2、YC-3、YC-4,分别对以上5件样品进行超声波复检,结果如下。
(a) 编号:ZC-1
编号为ZC-1的样件超声波检测波形图见图6所示,该波型底波反射强,未见任何缺陷反射波。说明工件材料内部组织晶粒细,无开裂迹象,是合格工件超声检测时典型波型图。
图6 ZC-1样件超声检测波形
(b) 编号:YC-1
编号为YC-1的样件超声波检测波形图见图7所示,该波型底波反射较弱,仅达示波屏满幅度的45%、底波前连续分布有缺陷反射波。说明工件材料内部组织晶粒较粗,为过烧工件材料内部组织晶界氧化开裂超声检测的典型波型图。该类工件断裂倾向极大,具有高度危险性,必须更换。
图7 YC-1样件超声检测波形
(c) 编号:YC-2
编号为YC-2的样件超声波检测波形图见图8所示,该波型底波反射全消失,底波前仅有单个缺陷反射波。说明工件材料内部组织晶粒较细,但在转向节轴颈附近有一个大面积断裂层。为工件横向淬火裂纹超声检测时典型波型图。该类工件断裂倾向极大,具有高度危险性,必须更换。
图8 YC-2样件超声检测波形
(d) 编号:YC-3
编号为YC-3的样件超声波检测波形图见图9所示,该波型底波反射基本消失,底波前未见缺陷反射波。说明工件材料内部组织晶粒粗大,为过热工件超声检测时典型波型图。虽然晶粒粗大不是此次检测目标,但该类工件脆性大、受到强冲击力时易断裂。具有中度危险性,建议更换。。
图9 YC-3样件超声检测波形
(e) 编号:YC-4
编号为YC-4的样件超声波检测波形图见图10所示,该波型底波反射较弱,仅达示波屏满幅度的55%、底波前有单个缺陷多次反射波。说明工件材料内部组织晶粒较细、但在转向节轴内有一个较大面积断裂层。为工件横向淬火裂纹超声检测时典型波型图。该类工件断裂倾向极大,具有高度危险性,必须更换。
图10 YC-4样件超声检测波形
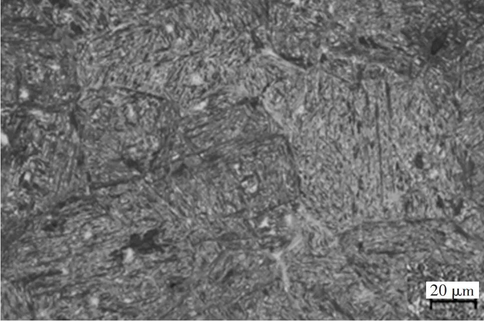
(1) 疲劳试验验证 对选取超声波探伤检测的上述5件样品分别进行台架疲劳试验,试验结果见表4所示。 (2) 金相组织验证 对疲劳试验后的5件样品分别取样进行金相检验,编号为ZC-1的样件金相组织晶界未氧化及开裂,属于正常热处理组织,见图11所示。 图11 ZC-1样品金相组织(500×) 编号为YC-1的样件金相组织晶粒粗大,晶界氧化明显,为过热过烧典型组织,见图12所示。 图12 YC-1样品金相组织(500×) 编号为YC-2的样件金相组织较细,但可见其明显的断裂层,见图13所示。 图13 YC-2样品金相组织(500×) 编号为YC-3的样件金相组织晶粒粗大,系过热导致,属于异常组织,见图14所示。 图14 YC-3样品金相组织(500×) 编号为YC-4的样件金相组织较细,但可见其明显的断裂层,见图15所示。 图15 YC-4样品金相组织(500×) 经疲劳试验及金相组织检验验证,试验检测结论与通过超声波探伤随车挑选出的各异常转向节超声检测结论相吻合,所挑选出的14件异常样件属于该批次热处理失误导致的过热过烧问题样件,需及时拆卸更换确保质量安全。 通过将超声波探伤技术应用于汽车转向节过热过烧组织缺陷的随车检测,实现了对转向节材料晶粒粗大、晶界裂纹的检测,该检测方法简便快捷、检测成本最低,检测结论可靠并通过疲劳试验和金相组织的验证,为今后解决类似生产质量问题提供了可借鉴的检测技术方法;本批次的部分转向节在锻造或调质热处理过程中发生过热过烧组织缺陷,导致材料晶粒粗大、晶界熔化及沿晶界开裂,建议在转向节现生产检验过程中,使用超声波探伤技术进行内部缺陷检测,同时增设晶粒度检验项目。






