大型铸件在机床制造业、汽车制造业、船舶、电站、兵器工业、钢铁制造等领域应用十分广泛,其制造和加工工艺比较复杂。由于铸件晶粒粗大、透声性差,导致检测时信噪比低,给检测带来困难。下文是一个某型管状和环状铸件的相控阵检测案例,由于待测工件厚度不是很大,因此选用了5M线阵探头进行检测,如壁厚较大,则需采用低频探头,能有效减小衰减,检测效果更好。
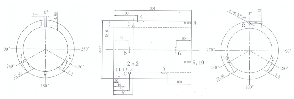
上图1为铝青铜管铸件,尺寸为φ445mm,厚度18.5mm,高度304mm。在工件的不同位置上加工了若干个平底孔、横孔和刻槽缺陷,缺陷信息如下图3所示。图2为铝圆环铸件,圆环外径为527mm,内径为200mm,厚度20mm,工件表面光滑。在工件的不同位置加工了若干个平底孔缺陷,缺陷信息如图4所示。 图3 管状铸件加工人工缺陷 图4 环状铸件加工人工缺陷 铸件中容易出现的缺陷主要有:缩孔残余、疏松、夹杂、裂纹等。检测时,选择横波斜入射方式对线状缺陷进行检测,纵波直入射方式对点状、面状缺陷进行检测,可有效减少漏检。选用多浦乐DP2探头装配合适的楔块进行扫查,连接扫查器可记录全部扫查数据。 图5 检测用相控阵探头和楔块 ▶铝青铜管铸件的检测结果如下图6所示。 a)外壁纵向刻槽缺陷 b)外壁横向刻槽缺陷 c)内壁横向刻槽缺陷 d)内壁纵向刻槽缺陷 e)端面横孔缺陷 f)内壁平底孔缺陷 图6 铝青铜管铸件检测结果示意图 ▶铝圆环铸件的检测结果如下图7所示。 a)Φ1.5x5平底孔 b)Φ1.5x10平底孔 c)Φ1.5x15平底孔 d)Φ1x5平底孔 e)Φ1x10平底孔 f)Φ1x15平底孔 图7 铝圆环铸件检测结果示意图






